公司简介
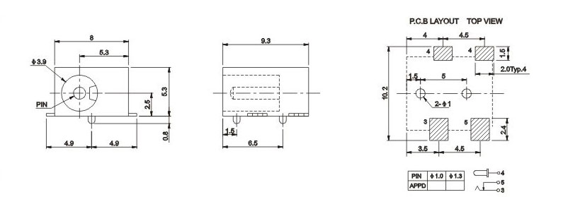
 DC SMT电源插座系列 >> DC0330 1
1

 

1
  点击次数:2278  发布时间:2013-09-21 【打印】 【返回 1